登录/注册
用户中心
购物车
咨询
按Enter键搜索或按Esc键清除
椿本链条中国官网于2022年12月22日上线试运行。
新网站上线试运行期间,网站界面、栏目、信息等正在逐步完善中,可能短时间出现信息栏空白等情况,由此带来的不便敬请谅解。
公司地址:上海市闵行区吴中路1799号万象城A座306-308室
联系电话:021-5396-6651/52
椿本链条中国官方网站
・现货秒发:27种标准品在库,更多尺寸可定制
・高性价比:日产品质,国产价格,超高市场竞争力
・到货即用:提供链轮追加工服务(轴孔/键槽/固定螺孔)
汽车制造
电子电气
采矿行业
电力生产
纺织服装
钢铁行业
化学行业
其他行业
规格筛选
清除
清除
型号:
数量:
当前合计金额不包含运费,详情请参见
运费规则
含税单价
¥
预计发货日
-
合计金额(不含运费)
¥ -
{value}
{label}
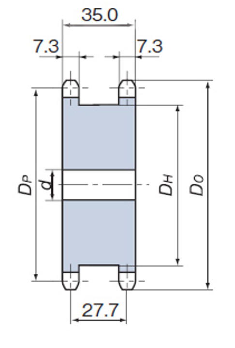
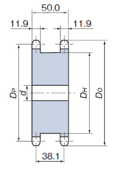
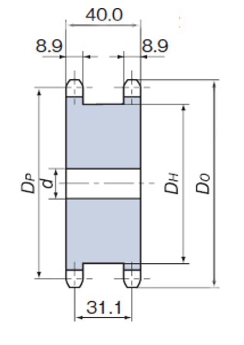
尺寸参数
型号
齿数
工艺孔径d(mm)
孔加工范围d(mm)
节距圆直径DP(mm)
外径DO(mm)
轮毂外径DH(mm)
轮毂长度L(mm)
大概质量(kg)
TKRS40-SD12TQ
12
9.5
10-19
49.07
55
34
35
0.34
TKRS40-SD13TQ
13
12.7
13-22
53.07
59
38
0.4
TKRS40-SD14TQ
14
13-24
57.07
63
42
0.48
TKRS40-SD15TQ
15
13-27
61.08
67
46
0.56
TKRS40-SD16TQ
16
13-31
65.1
71
50
0.66
TKRS40-SD17TQ
17
13-34
69.12
76
54
0.76
TKRS40-SD18TQ
18
13-38
73.14
80
0.88
TKRS40-SD19TQ
19
13-41
77.16
84
0.99
TKRS40-SD20TQ
20
13-44
81.18
88
1.12
TKRS50-SD12TQ
13-25
61.34
69
43
40
0.62
TKRS50-SD13TQ
13-29
66.33
74
48
0.75
TKRS50-SD14TQ
13-33
71.34
79
53
0.9
TKRS50-SD15TQ
13-37
76.35
58
1.05
TKRS50-SD16TQ
81.37
89
1.22
TKRS50-SD17TQ
86.39
94
68
1.4
TKRS50-SD18TQ
13-48
91.42
100
73
1.6
TKRS50-SD19TQ
15.9
17-52
96.45
105
1.8
TKRS50-SD20TQ
17-56
101.48
110
2.02
TKRS60-SD12TQ
73.6
83
51
1.16
TKRS60-SD13TQ
17-36
79.6
57
1.37
TKRS60-SD14TQ
17-42
85.61
95
64
1.65
TKRS60-SD15TQ
17-46
91.63
101
70
1.93
TKRS60-SD16TQ
17-50
97.65
107
2.24
TKRS60-SD17TQ
17-55
103.67
113
82
2.57
TKRS60-SD18TQ
17-59
109.7
119
2.92
TKRS60-SD19TQ
17-64
115.74
126
3.29
TKRS60-SD20TQ
17-68
121.78
132
3.69
追加工型号规则:标准品型号-链轮加工代号
追加工形式
不加工部位
型号示例
1:轴孔 (使用胀紧套联接)
键槽,固定螺孔
TKRS60-SD20TQ-H19WD0
2:轴孔+键槽
固定螺孔
TKRS60-SD20TQ-H19GD0
3:轴孔+固定螺孔
键槽
TKRS60-SD20TQ-H19WD1
4:轴孔+键槽+固定螺孔
TKRS60-SD20TQ-H19GD1
链轮代号详细
轴孔径
键槽公差
固定螺孔的位置
H
G
D1
*默认D1
1. 首先从"型号"下拉菜单中选择一个基础标准品型号
2. 系统会自动填充各参数的默认值,您可以根据需要分别调整
3. 最终型号格式:标准品型号 + 轴孔径公差 + 轴孔径 + 键槽公差 + 固定螺栓位置
4.最终型号将根据您的选择实时生成,可加入购物车或立即下单
TKRS40-SD12TQ图纸
TKRS40-SD13TQ图纸
TKRS40-SD14TQ图纸
TKRS40-SD15TQ图纸
TKRS40-SD16TQ图纸
TKRS40-SD17TQ图纸
TKRS40-SD18TQ图纸
TKRS40-SD19TQ图纸
TKRS40-SD20TQ图纸
TKRS50-SD12TQ图纸
TKRS50-SD13TQ图纸
TKRS50-SD14TQ图纸
TKRS50-SD15TQ图纸
TKRS50-SD16TQ图纸
TKRS50-SD17TQ图纸
TKRS50-SD18TQ图纸
TKRS50-SD19TQ图纸
TKRS50-SD20TQ图纸
TKRS60-SD12TQ图纸
TKRS60-SD13TQ图纸
TKRS60-SD14TQ图纸
TKRS60-SD15TQ图纸
TKRS60-SD16TQ图纸
TKRS60-SD17TQ图纸
TKRS60-SD18TQ图纸
TKRS60-SD19TQ图纸
TKRS60-SD20TQ图纸
椿凯链轮使用说明书
链轮的安装配置
链轮的点检
啮合正常时其接触面如图A所示
则说明链轮安装不正确使滚子链发生了扭转。需进行再次点检和调整